產品名稱: APC- 8
產品編號: APC- 8
8W單組輸出開關電源
特性:
恒流設計
國際通用全範圍交流輸入
Class Ⅱ 電源, 無 FG
全防護型塑膠外殼
IP42設計
外形小巧
自然風冷
保護種類:短路
‧空載消耗<0.5W
100%滿載老化測試
低成本,高信賴度
2年保固

型號 |
APC-8-250 |
APC-8-350 |
APC-8-500 |
APC-8-700 |
|
輸出 |
額定電流 |
250mA |
350mA |
500mA |
700mA |
直流電壓範圍 備註3 |
16~32V |
11~23V |
8~16V |
6~11V |
|
額定功率 |
8W |
8.05W |
8W |
7.7W |
|
空載輸出電壓 |
38V |
29V |
24V |
17V |
|
電流精度 |
±8.0% |
||||
啟動、上升時間 |
500ms, 180ms / 230VAC 3000ms, 150ms / 115VAC(滿載時) |
||||
保持時間(Typ.) |
20ms/230VAC(滿載時) |
||||
輸入 |
電壓範圍 備註2 |
90 ~ 264VAC或127 ~ 370VDC (備註4) |
|||
頻率範圍 |
47 ~ 63Hz |
||||
效率(Typ.) |
82.5% |
81.5% |
81% |
80% |
|
交流電流 |
0.15A/230VAC;0.3A/115VAC |
||||
浪湧電流(Typ.) |
冷開機70A(在50% Ipeak下測試twidth=120μs)/230VAC |
||||
漏電流 |
0.25mA / 240VAC |
||||
保護 |
短路 |
打嗝模式,異常條件移除後可自動恢復 |
|||
環境 |
工作溫度 |
-15 ~ 70℃(請參考"減額曲線") |
|||
工作濕度 |
20 ~ 90% RH,無冷凝 |
||||
儲存溫度、濕度 |
-40 ~ +80℃, 10 ~ 95% RH |
||||
溫度係數 |
±0.2%/℃ (0 ~45℃) |
||||
耐振動 |
10 ~ 500Hz, 2G 10分鐘/週期, X、Y、Z軸各60分鐘 |
||||
安規和電磁相容(備註5) |
安全規範 備註6 |
符合UL8750,CSA C22.2 No.250.0-08, BIS IS15885, EAC TP TC 004, BS EN/EN62368-1認證 |
|||
耐壓 |
I/P-O/P:3.75KVAC |
||||
絕緣阻抗 |
I/P-O/P:>100M Ohms / 500VDC / 25℃/ 70% RH |
||||
電磁相容發射 |
符合BS EN/EN55032,BS EN/EN61000-3-2,BS EN/EN61000-3-3, EAC TP TC 020 |
||||
電磁相容抗擾度 |
符合BS EN/EN55035,BS EN/EN61000-4-2,3,4,5,6,8,11; 輕工業標準(浪湧2KV), EAC TP TC 020 |
||||
其它 |
MTBF |
14511.7K hrs min. Telcordia SR-332 (Bellcore) ; 2275.9K hrs min. MIL-HDBK-217F (25℃) |
|||
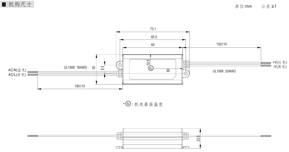
尺寸 |
60*30*23.5(L*W*H) |
||||
包裝 |
0.05Kg;144pcs/7.6Kg/0.79CUFT |
||||
備註 |
※ 產品免責聲明:詳細請參閱http://www.meanwell.com.cn/serviceDisclaimer.aspx
|
||||
