產品名稱: HLG- 120 H- C
產品編號: HLG- 120 H- C
150W恒流型LED驅動器
特性:
恒流模式輸出
ClassⅠ 金屬外殼設計
內置主動式PFC功能
IP67 / IP65防護等級,戶內戶外安裝均可
功能可選:輸出內部電位器調整;三合一調光,定時調光
壽命>62000小時
7年保固

|
|
|
|
|
|
|
輸出 |
額定電流 |
350mA |
500mA |
700mA |
1050mA |
1400mA |
額定功率 |
150.5W |
150W |
150.5W |
155.4W |
151.2W |
|
恒電流範圍 備註2 |
215 ~ 430V |
150V ~ 300V |
107V ~ 215V |
74V ~ 148V |
54V ~ 108V |
|
電流調整範圍 |
通過內部電位器(僅A/AB型) |
|||||
175 ~ 350mA |
250 ~ 500mA |
350 ~ 700mA |
525 ~ 1050mA |
700 ~ 1400mA |
||
紋波電流 |
最大8.0%@額定電流 |
|||||
電流精度 |
±5% |
|||||
啟動,時間 備註4 |
1000ms / 115VAC |
500ms / 230VAC |
|
|
|
|
輸入 |
電壓範圍 備註3 |
90 ~ 305VAC 127 ~ 431VDC(請參考"靜態特性曲線") |
||||
頻率範圍 |
47 ~ 63Hz |
|||||
功率因數(Typ.) |
PF≧0.98/115VAC, PF≧0.96/230VAC, PF≧0.93/277VAC@滿載時(請參考 "功率因素特性曲線" ) |
|||||
總諧波失真 |
THD< 20% (@負載≧50% /115VAC, 230VAC; @負載≧75%/277VAC)(請參考 "總諧波失真特性曲線" ) |
|||||
效率(Typ.) |
94% |
94% |
94% |
94% |
93.5% |
|
交流電流(Typ.) |
1.6A / 115VAC |
0.8 A / 230VAC |
0.7A / 277VAC |
|
|
|
浪湧電流(Typ.) |
冷開機50A(在50% Ipeak下測試twidth=600μs)/230VAC; Per NEMA 410 |
|||||
16A斷路器可配置同型號電源供應器之數量 |
于230VAC時, 可配置4台 (B型斷路器) / 6台 (C型斷路器) |
|||||
漏電流 |
<0.75mA / 277VAC |
|||||
保護 |
短路 |
恒流限制,負載異常條件移除後可自動恢復 |
||||
過電壓 |
475 ~ 495V |
335 ~ 355V |
240 ~ 260V |
165 ~ 175V |
120 ~ 130V |
|
關斷輸出電壓,自動恢復或重啟恢復 |
||||||
過溫度 備註7 |
關斷輸出電壓,溫度下降後可自動恢復 |
|||||
環境 |
工作溫度 |
Tcase=-40 ~ +90℃(請參考"輸出負載vs溫度") |
||||
最大外殼溫度 |
Tcase=+90℃ |
|||||
工作濕度 |
10 ~ 95% RH,無冷凝 |
|||||
儲存溫度、濕度 |
-40 ~ +80℃, 10 ~ 95% RH |
|||||
溫度係數 |
±0.03%/℃ (0 ~ 50℃) |
|||||
耐振動 |
10 ~ 500Hz,5G 12分鐘/週期, X、Y、Z軸各72分鐘 |
|||||
安規和電磁相容 |
安全規範 備註6 |
UL8750, CSA C22.2 No. 250.13-12, BS EN/EN/AS/NZS 61347-1, BS EN/EN/AS/NZS1347-2-13, BS EN/EN62384 independent,GB19510.1,GB19510.14, IP65或IP67, J61347-1, J61347-2-13, EAC TP TC 004 認證通過 |
||||
耐壓 |
I/P-O/P:3.75KVAC |
I/P-FG:2.0KVAC |
O/P-FG:1.5KVAC |
|
|
|
絕緣阻抗 |
I/P-O/P, I/P-FG, O/P-FG:100M Ohms / 500VDC / 25℃/ 70% RH |
|||||
電磁相容發射 備註6 |
符合BS EN/EN55015, BS EN/EN61000-3-2 Class C (@負載≧50%); BS EN/EN61000-3-3, GB/T 17743,GB17625.1, EAC TP TC 020 |
|||||
|
|
電磁相容抗擾度 |
符合BS EN/EN61000-4-2,3,4,5,6,8,11; BS EN/EN61547, 輕工業標準(浪湧抗擾度:線對地:4KV, 線對線:2KV), EAC TP TC 020 |
||||
其它 |
MTBF |
2456.4K hrs min. Telcordia SR-332 (Bellcore) ; 191.1K hrs min. MIL-HDBK-217F (25℃) |
||||
尺寸 |
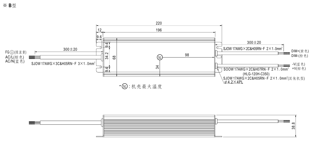
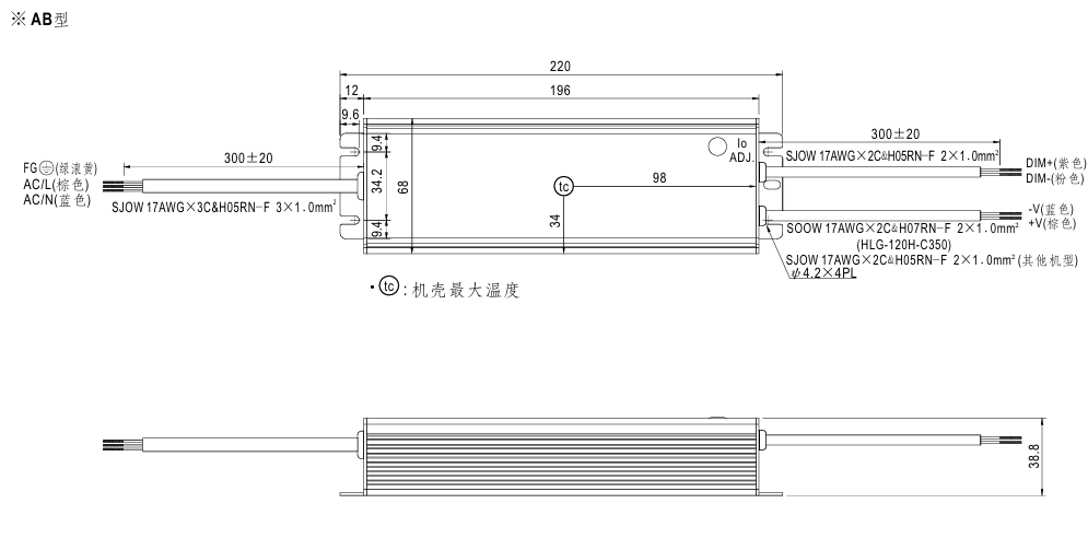
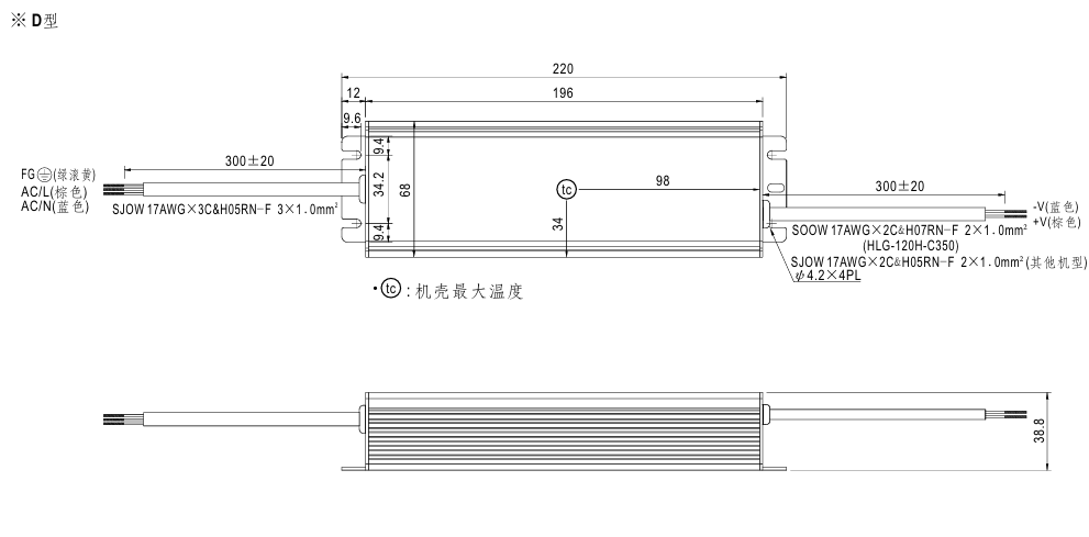
220*68*38.8mm (L*W*H) |
|||||
包裝 |
1.04Kg; 12pcs/13.5Kg/0.8CUFT |
|||||
備註 |
※ 產品免責聲明:詳細請參閱http://www.meanwell.com.cn/serviceDisclaimer.aspx
|
|||||





